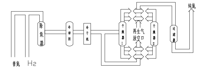
Overview of nitrogen purification plant
According to the requirements of the user process, the non-hydrogen purification process - palladium carbon fiber combustion deoxygenation. The working principle is that the nitrogen from the nitrogen machine is heated into the deoxidizer equipped with carbon fiber, and the oxygen in the nitrogen and the carbon carrying the catalyst under the action of the catalyst occur the following chemical reaction C+O2 = CO2
Under the action of catalyst, the chemical reaction is completed, and the residual oxygen content of nitrogen after deoxidation can be less than 0.1ppm. The deoxidized nitrogen is cooled into the adsorbent equipped with molecular sieve, and the water and CO2 in the nitrogen are deeply adsorbed by the molecular sieve, and high purity nitrogen can be obtained after filtration. The advantage of this process is that there is no hydrogen content in the nitrogen of the product, and it is especially suitable for occasions where the hydrogen content is strictly required. However, the deoxidizer (palladium carbon fiber) in the deoxidizer is expendable, the deoxidizer replacement cycle of this device designed for your company is one month, after one month of use, the deoxidizer can be switched to ensure continuous production, and the deoxidizer with a complete reaction needs to be replaced again. In order to consider the convenience of later use of refueling, we design the feed and discharge port. Simplify the refuelling process (only 5 minutes per refuelling).
Nitrogen purification equipment
Features Hydrogenation deoxygenation with high efficiency catalyst, no activation required, wide deoxygenation range, suitable for high content, no requirement for excess hydrogen process production.
Technical reference index:
Purity ≥99.9995%
Oxygen content ≤5ppm
Hydrogen content: 500ppm- -5% (adjustable)
Dew point ≤-70°C
Process flow chart: (1 of 2)


Nitrogen purification equipment
When the oxygen content of raw gas is less than 1000ppm, the high efficiency deoxidizer is used to add carbon to deoxidize, and the purity and pressure of nitrogen are not affected by hydrogen.
● Purity ≥99.9995%
● Oxygen content ≤5ppm
● Hydrogen content :5ppm
● Dew point ≤-70°C
● Pure gas pressure: 0.05-0.8Mpa