First, gas purification (DCZ-1 type hydrogenation deaeration) Nitrogen hydrogenation deaeration purification technology is a method for preparing high-purity gas. It is suitable for high purity gases required in electronics, semiconductors, medicine and other fields, such as hydrogen, nitrogen, argon, oxygen and so on. This technology can not only make the gas more pure, but also improve the reliability of the process, promote the life of the equipment, and reduce the production cost, so it has been widely used and studied.
Second, the working principle
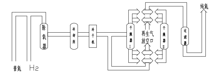
Nitrogen hydrogenation deoxygenation purification technology is to remove oxygen by hydrogenation, on this basis to prepare high purity gas. It works as follows:
1. Deoxygenation reaction
Oxygen reacts with hydrogen at high temperatures and pressures to form water vapor and release a lot of heat. Therefore, during the reaction process, the heat generated needs to be effectively controlled to ensure the safe operation of the equipment.
2. Remove impurities
After the above reaction, impurities other than oxygen in the gas are converted into harmless substances and removed by various filters. In this way, the removal of impurities in the gas is achieved.
Step 3 Supercharge
After the oxygen is converted into water vapor, the gas needs to be pressurized to reach the pressure required for a high purity gas. At the same time, pressurization can also make the gas more pure and remove impurities.
Step 4: Hydrogenation
In the pressurization process, hydrogen needs to be added to the gas, under the action of the catalyst, the residual oxygen in the gas will be reduced to water vapor, and is adsorbed on the surface of the catalyst. Therefore, hydrogenation is an indispensable step in this technology.
Step 5: Purification
In this reaction, the resulting water vapor is converted to liquid water by a condenser and then removed. Other impurities in the gas, such as pollutants, aerosols and gas residues, are also removed through various filters.
Technical reference index:
Purity ≥99.9995%
Oxygen content ≤5ppm
Hydrogen content: 500ppm- -5% (adjustable)
Dew point ≤-70°C
Process flow chart: (1 of 2)


Nitrogen purification equipment
When the oxygen content of raw gas is less than 1000ppm, the high efficiency deoxidizer is used to add carbon to deoxidize, and the purity and pressure of nitrogen are not affected by hydrogen.
● Purity ≥99.9995%
● Oxygen content ≤5ppm
● Hydrogen content :5ppm
● Dew point ≤-70°C
● Pure gas pressure: 0.05-0.8Mpa